
背景:
各油田普遍采用游梁式抽油機作為主要的抽采設備,存在低產出、高能耗、大馬拉小車的問題。
近年來,隨著電力電子技術的發展,變頻技術由于具有節能、調沖次方便等優點在油田得到廣泛的應用。在抽油機運行過程中,電動機時常運行在發電狀態。
為了解決能量倒灌的問題,目前我國各油田抽油機主要采用兩個方案:
1、變頻加制動單元和變頻加回饋單元。在母線上加制動單元及制動電陽,將能量直接消耗在制動電阻上,這不僅不利于節能,而且制動電阻散熱和壽命問題很難解決;
2、母線上并聯回饋單元,將電機工作在發電狀態時產生的能量通過回饋單元反饋電網,實現變頻器與電網之間反向流動,但解決不了能量由電網流向變頻器時功率因數低,諧波電流大的問題。
針對以上情況,這個四象限技術的方案,可克服上述兩種方案的缺點。四象限變頻技術解決了抽油機在系統不平衡時的再生能量處理問題,具有四象限的運行功能,同時能提高節電效率, 減小電源的諧波污染,提高功率因數。
技術介紹:
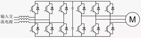
◎四象限變頻原理
采用三相脈寬調制(Pulse width modulation, PWM)整流代替不可控整流而構成的四象限變頻器電路拓撲如圖1所示,可以將負載機械能轉變的電能回送給電網。

◎步科FV21四象限變頻亮點
用高速度、高運算能力的整流控制單元DSP,產生6路高頻的PWM脈沖控制整流側的IGBT的開通和關斷,IGBT的開通和關斷與輸入電抗器共同作用產生了與輸入電壓相位一致的正弦電流波形,這樣就消除了二極管整流析產生的諧波,功率因數接近于1,從而消除了對電網的諧波污染;
四象限變頻技術整流側采用IGBT功率模塊,可以實現輸入電網同電動機能量的雙向流動,在系統不平衡時,可以將不平衡產生的勢能回饋電網,從而大大降低對系統平衡的要求;
當電機工作在發電狀態,電機產生的能量通過逆變側的二極管回饋到直流母線,整流側回饋控制啟動,將直流逆變成交流,通過控制逆變電壓相位和幅值將能量回饋到電網,達到節能的效果。
應用案例:
2020年4月,海南某采油廠作業區應用了10臺37KW四象限變頻柜,現場圖如圖2、圖3所示。抽油機變頻柜主要有四象限變頻器、斷路器、指示燈、接觸器、電能表、防雷器、LCL電路等部分組成,其中四象限變頻器是變頻柜核心部件,選用的是步科的FV21系列四象限變頻器。

經濟效益分析:

通過油田現場長時間的運行情況來看,步科FV21系列四象限變頻器完全能夠滿足抽油機工藝需求,不僅能夠實現較好的節能效果,且能夠改善提高設備功率因數,經濟效益顯著。
FV21系列四象限變頻器為高性能矢量變頻器,產品廣泛應用于油田抽油機、電機對拖平臺、皮帶輸送機、起重機械、離心機等多個應用現場。